Kia Picanto (JA): Charging System / DC/DC Converter
Description and operation
Due
to the considerably more frequent occurrence of starting operations,
the electrical load that occurs often leads to voltage dips in the
vehicle network.
In
order to stabilize the power supply for certain voltage-sensitive
electrical components, a DC/DC converter is used in conjunction with the
ISG function.
The DC/DC converter supplies the relay with a voltage that also remains constant during the starting operation.
The DC/DC converter is fitted behind the glove box.
Via
the test leads for input voltage and the start relay, the electronics
decide whether the power is supplied to the output via the bypass or the
DC/DC converter.
In
the bypass mode, the on-board supply voltage is not fed across the
DC/DC converter, but rather is transferred directly to the outputs. In
the booster phase, the vehicle voltage is adapted.

| •
| In
the ISG mode, if the power of an audio system turns OFF by drawdown
while “Auto Starting” or “Idle Starting” function operates, replace the
DC/DC converter. |
|
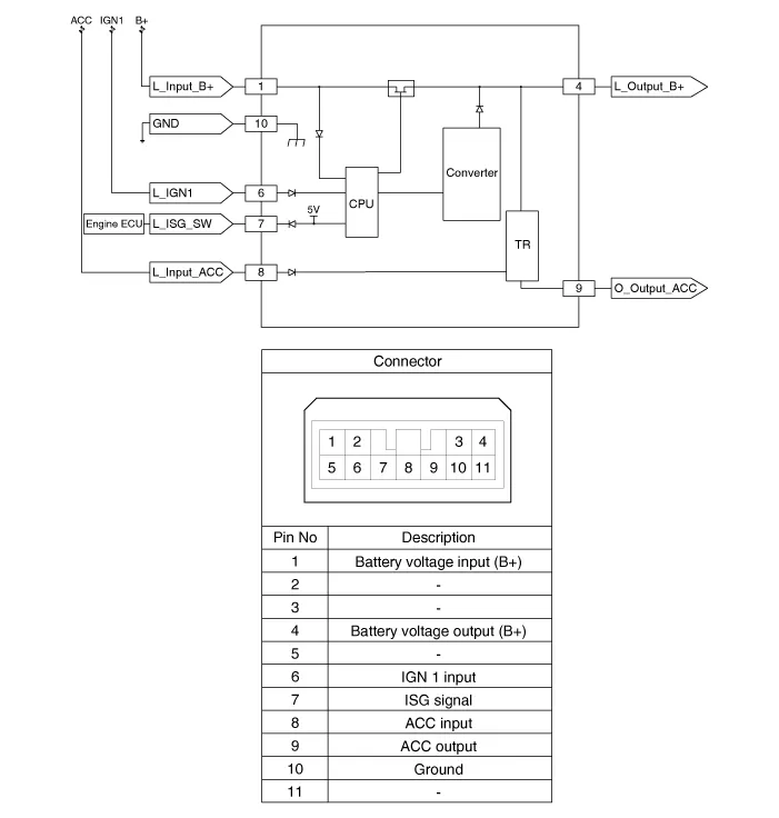
Components and components location

Schematic diagrams

Repair procedures
| 1. | Turn ignition switch OFF and disconnect the battery negative (-) terminal. |
| 2. | Remove the crash pad lower panel.
(Refer to Body (Interior and Exterior) - "Crash Pad Lower Panel")
|
| 3. | Disconnect the DC/DC converter connector (A). |
| 4. | Remove the DC/DC converter (B) after removing the nut and scrow.
DC/DC converter installation nut :
4.0 - 6.0 N·m (0.4 - 0.6 kgf·m, 3.0 - 4.4 lb·ft) |
 |
After
reconnecting the battery negative cable, ISG function does not operates
until the system is stabilized, about 4 hours. If disconnecting the
negative (-) battery cable from the battery during repair work for the
vehicle equipped with AMS function, Battery sensor recalibration
procedure should be performed after finishing the repair work. |
| 1. | Install in the reverse order of removal. |
Specifications
Specification
▷ 13.5V, 120A [ISG only]
Item
Specification
Rated voltage 13.
Specifications
Specification
▷ CMF45L-DIN
Item
Specification
Capacity [20 hr/5 hr] (Ah) 45/36 Cold Cranking Amperage (A) 410 (SAE) / 410(EN) Reserve Capacity (min) 80
▷ AGM50L-DIN
Item
Specification
Capacity [20 hr/5 hr] (Ah) 50/40 Cold Cranking Amperage (A) 560 (SAE) / 560(EN) Reserve Capacity (min) 80
•
Model type description
•
Cold
Cranking Ampere (CCA): Cold Cranking Amps is a rating used in the
battery industry to define a battery's ability to start an engine in
cold temperatures.
Other information:
Repair procedures
Removal
1. Disconnect the negative (-) battery terminal.
2. Open the tailgate.
3. Loosen the high mounted stop lamp mounting nuts (A).
4. Disconnect the washer nozzle (A) and high mounted stop lamp connector (B).
5. Remove the high mounted stop lamp (C).
Repair procedures
Inspection
1.Check for continuity between the terminals. If there is an abnormality, replace the switch.
Removal
•
When removing with a flat-tip screwdriver or remover, wrap protective tape around the tools to prevent damage to components.